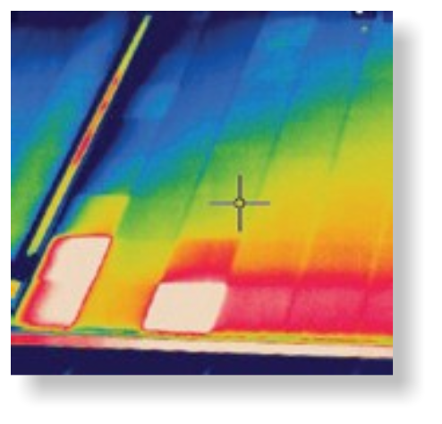
Erstellung von Infrarotbildern zur Feststellung von:     Wärmebrücken an Gebäuden     fehlerhaften Solarmodulen     fehlerhaften elektrischen Bauteilen     Luftdichtigkeit von Gebäuden     Schäden an Gebäuden:      Wasserschaden, Leitungsbruch... Die Wärmebildkamera macht Wärmebrücken am Gebäude sichtbar. Schlecht isolierte Bauteile oder mangelhaft ausgeführte Arbeiten können als Wärmebrücken zu hohem Wärmeverlust, oder auch zur Kondensationsbildung im Gebäude führen. Durch die erhöhte Feuchtigkeit entsteht schnell Schimmelpilzbildung. Mit der Wärmebildkamera können an Photovoltaikmodulen fehlerhafte Sektoren sichtbar gemacht werden. Eine jährliche Überprüfung mittels einer Wärmebildkamera und einer elektrischen Messung sichert dem Betreiber der Anlage eine vollständige Funktion und die maximale Leistung der PV-Anlage zu. Eine erweiterte Anlagensicherheit bietet die Installation eines SolarLog, der im Störungsfall sofort eine Meldung per SMS und/oder e-mail versendet. Alle Daten werden aufgezeichnet und können in einer Statistik abgelesen werden. Fehlerhafte elektrische Bauteile können mit der Wärmebildtechnik frühzeitig erkannt werden. Durch eine abnormale Erwärmung wird schon vor einem Ausfall des Bauteils ein bevorstehender Schaden erkannt. Neben einer bestehenden Brandgefahr, kann auch frühzeitig der Ausfall von Maschinen und Geräten erkannt und verhindert werden. Mit einem BlowerDoor-Test wird die Luftdichtigkeit von Gebäuden gemessen. Aufgrund einströmender Kaltluft kann die Wärmebildkamera die undichten Stellen am Gebäude sichtbar machen und somit direkt die Ursache der Undichtigkeit feststellen. Feuchtigkeitsschäden und Leitungsbrüche können ohne Beschädigung der Bausubstanz lokalisiert werden. Schäden an Fußbodenheizungsrohren oder Fernwärmenetzen lassen sich mit einer Wärmebildkamera einfach identifizieren. Wärmebrücken an Gebäuden Fehlerhafte Solarmodule Fehlerhafte elektrische Bauteile Luftdichtigkeit von Gebäuden Schäden an Gebäuden:    Wasserschaden, Leitungsbruch... Wärmebildtechnik